Product CLASS
地址:
手機:
2015-11-24 點擊量:

袋式過濾器是常見的水處理設備,和精密過濾器性質差不多,我公司專業生產袋式過濾器,我公司生產的袋式過濾器結構新穎、體積小、操作簡便靈活、節能、高效、密閉工作、適用性強的多用途過濾設備,過濾器殼體內部由金屬網籃支撐濾袋,液體由入口流進,經濾袋過濾后從出口流出,雜質則被攔截在濾袋中。濾袋可更換或清洗后繼續使用。


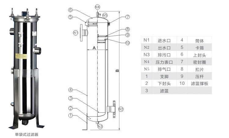
袋式過濾器選型參數:
工作壓力:0.2MPa-0.6MPa
工作溫度:5℃-40℃(特殊溫度可定做)
接口形式:快開、螺紋、法蘭
設計流量:1-360m3/h
過濾精度:1-800微米、
筒體材質:SUS304、SUS316L
表面處理:亞光噴砂、鏡面拋光

1. 用途廣泛,可用于粗濾或精濾;
2. 過濾精度高,適用于任何細微顆?;驊腋∥?;
3. 操作簡單方便,占地面積較小,安裝簡易;
4. 單位過濾面積的處理流量大,阻力小,過濾效率高;
5. 有效過濾面積大,一個濾袋過濾功能相當于同類型濾芯5~10倍,可大大降低成本;
6. 在達到同等過濾效果前提下,比濾芯式過濾器殼體何原水預處理過濾器殼體等設備有優勢:投資成本低、過濾成本低,使用壽命長。
袋式過濾器優勢特點:
1. 濾袋側漏機率小,有力地保證了過濾品質。
2. 濾袋過濾精度不斷提高,目前已達到0.5微米。
3. 過濾器殼體濾袋清洗后可反復使用、節約成本。
4. 袋式過濾應用范圍廣,使用靈活,安裝方式多樣。
5. 更換濾袋時方便快捷,而且過濾機免清洗,省工省時。
6. 承載更大的工作壓力,壓損小,運行費用低,節能效果明顯。
我公司專業生產袋式過濾器,是袋式過濾器專業生產廠家,歡迎廣大朋友詢價和咨詢。
版權所有:杭州鑫凱水處理設備有限公司 電話:13375715035
地址:杭州市上城區臨丁路大唐商務大廈B座5樓502 技術支持:宣盟網絡 [宣盟建站]????浙ICP備11046810號-2 浙公網安備案編號: 33010402001995號